HX-DC furnace soot blower is mainly used to purge the soot and coking on the water wall of the boiler furnace. Its characteristics are as follows:
※Electric transmission and manual operation.
※Installation methods are flexible and diverse.
※The adjustment of the number of soot blowing circles is simple and convenient. HX-DC(A) does not have this structure.
※The soot blowing pressure can be adjusted by changing the position of the pressure regulating plate.
※Soot blowing medium: superheated steam, compressed air.
※The unique flexible valve seat design does not affect the sealing effect due to temperature difference changes.
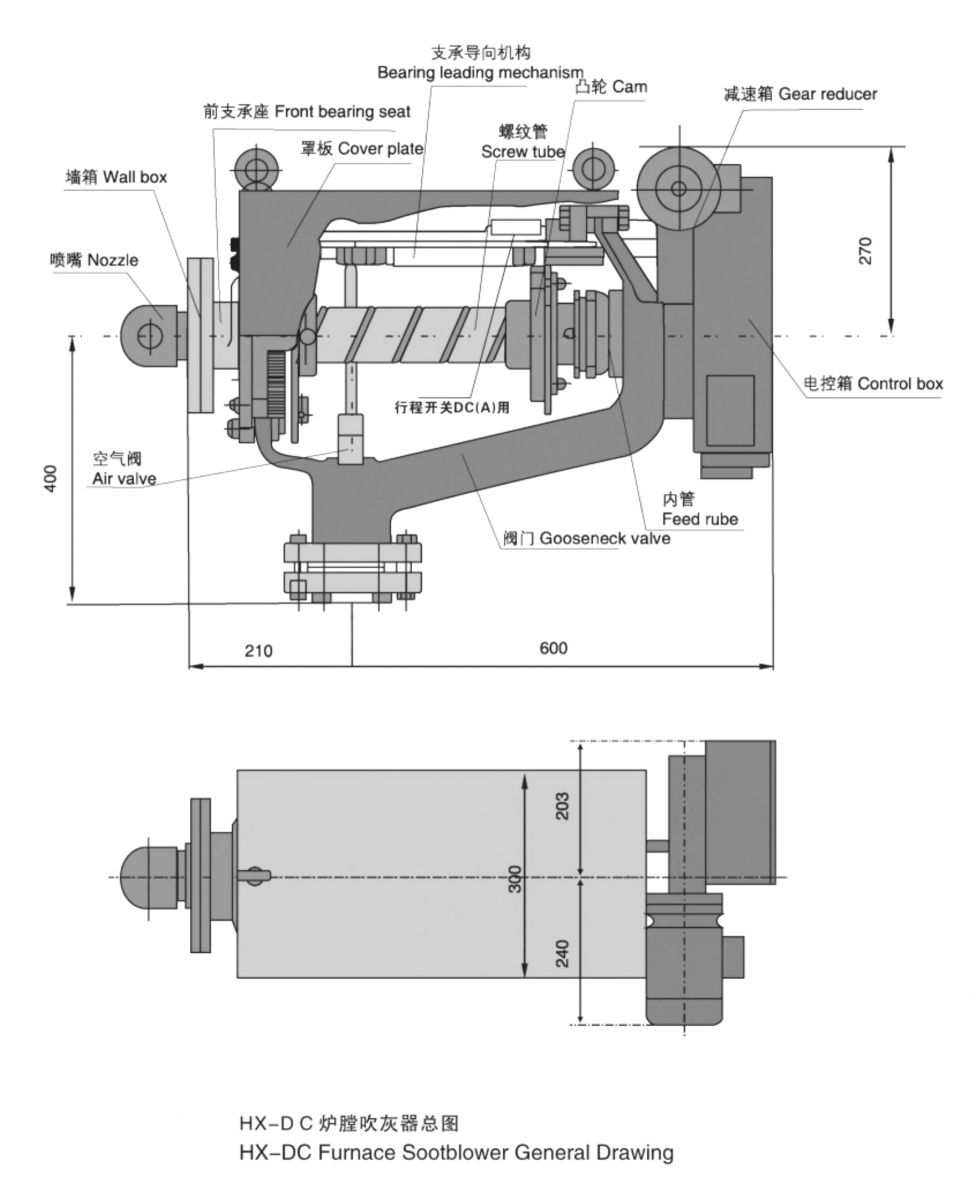
※HX-DC(A) uses a cam to hit the stroke switch operating lever. Only when the stroke is completed will there be signal feedback, making the equipment operation safer and more reliable.
Introduction of HX-DC soot blower structure
HX-DC soot blower is mainly composed of gooseneck valve, inner tube, soot blowing gun and nozzle, reduction transmission mechanism, support plate, guide rod, electrical control mechanism, and protective cover.








Senior engineer 